收藏本站
MSN 交谈
QQ 交谈
首 页
公司简介
企业相册
产品展示
新闻资讯
求才纳贤
联系我们
产品分类
机械&导轨铝型材
新能源汽车轻量化铝材料&电池铝型材配件
特种材质铝型材
散热器铝型材
灯壳灯条灯管铝型材
边框铝型材加工制作
无缝精抽反挤压铝管
深加工铝型材
工业铝型材
各类异形铝材
复合铝管&复合铝板
精小细铝配件
折弯铝管铝边框
家具装饰铝材
铝单板加工制作
铝型材热压成型
电子数码产品外壳
折弯加工
服务热线
0755-89802096
友情链接
·
中国LED网
·
阿里巴巴
·
慧聪网
·
路灯
·
酷站
·
顺企网
产品展示
t5
t10灯管
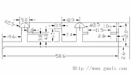
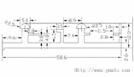
广美铝制品公司异型材2
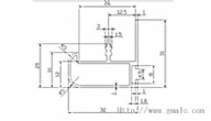
广美异型材
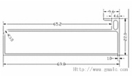
广美散热器2
广美散热器1
家具铝型材b11
家具铝配件b10
b7
a19
b13
b10
b24
b23
b19
b20
b19
b18
总计 234 个产品, 当前 12/13 页 |
首页
上一页
下一页
末页
网页对话框
您的订单
管理订单
|
清空