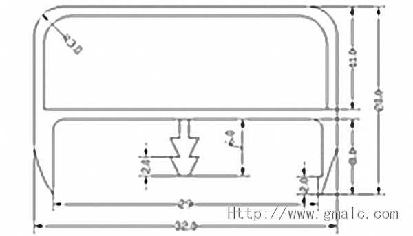
b10

产品详情: