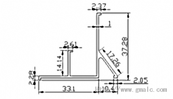
b18

产品详情: