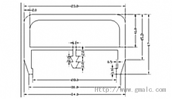
家具铝型材b11

产品详情: