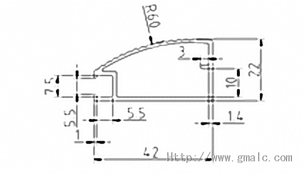
a20

产品详情: