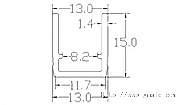
b21

产品详情: