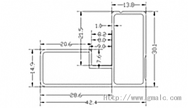
b14

产品详情: