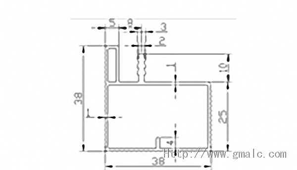
b8

产品详情: